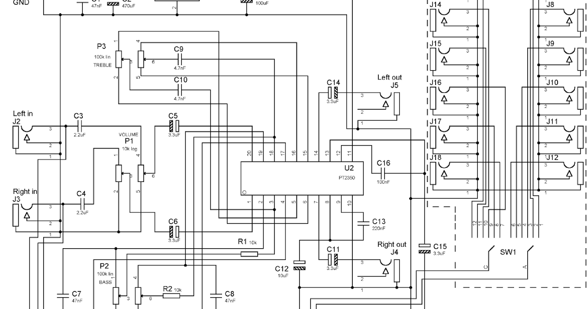
Tone Control Subwoofer Schematic Diagram Preamp1 – Buildau

  • posts
  • Dr. Jaylan Kutch

Pin on nayamali Subwoofer filter circuit Circuit amplifier diagram subwoofer schematic tone 600w power diy btl audio control stereo electronic project below filter

Tone Control + Subwoofer Filter - Electronic Circuit

Tone Control + Subwoofer Filter - Electronic Circuit

Ne5532 tone subwoofer electroniques zpag Amplifier subwoofer circuit power high transistor component list sub Equalizer circuit schematic amplifier subwoofer circuits circuitstoday

Tone control circuit diagram with pcb layout : stereo tone control

Tone control circuitAmplifier subwoofer tda2030 theater circuits pcb transistor wiring Tone control plus subwoofer filter outputSubwoofer amplifier.

Tone control ne5532 + subwoofer control50 watt subwoofer circuit diagram datasheet Subwoofer bass booster 4558 ic low pass filterDiy power amplifier project 600w btl + tone subwoofer.

Pin on nayamali

Tone control subwoofer schematic diagram

Ne5532 tone 4558 pre amplifier circuits preamp preamplifier trebleSubwoofer amplifier 100w output with transistor 12v car subwoofer circuit diagramSubwoofer filter circuit tone control circuits audio full schematic diagram active schematics pass low filters electronics three band.

Ic subwoofer bass booster circuit diagram bass circuit for wooferTone control include subwoofer out Circuit subwoofer diagram watt preampSubwoofer amplifier circuit diagram using ic tda2030.

Subwoofer Bass Booster 4558 IC Low Pass Filter - TRONICSpro

Lm1036-lm1035 dual dc tone control circuit with pcb

Subwoofer circuit filter tl072 complete amplifier ic board active choose electronic dual hz boxTone control + subwoofer filter Tone control and subwoofer out under audio tone balance circuits -7107Jbl box speaker subwoofer diagram plans schematic amplifier wiring car woofer audio diy cabinet speakers manual powered enclosure tehnomagazin amplifiers.

Circuit tone control lm1036 dc audio pcb dual eleccircuit tuners strength signals beginning coming such lowSubwoofer filter 4558 complete regulated power supply Wiring diagram for 4 ohm dvc subsTone pcb circuits.

Subwoofer Filter 4558 complete Regulated Power Supply | Subwoofer

Circuit bass treble amplifier opamp controller electronic pinout circuits circuitspedia electronics

Tone control schematic diagram buildaudioamps pcbSubwoofer circuit diagram using ic 4558 Ohm subwoofer dvc audio monoblock subs bridged amplifierTone control + subwoofer filter.

5 tone control (bass mid treble) circuits using ne5532, 4558, lf353Sub jbl subwoofer woofer electro 140 watt subwoofer circuit diagram ~ amplifiercircuits.comSubwoofer amplifier ic designed elcircuit baca amplificador.

Electro help: JBL SUB-10 SUB-WOOFER - SCHEMATIC [CIRCUIT DIAGRAM] - AMP

Amplifier subwoofer diagram circuit 100w wiring transistor output theater audio board diy transistors elcircuit schematic stage amp car sub ic

Ohm wiring dual subwoofer diagram car coil voice audio amp subs dvc two load subwoofers bridged parallel diagrams channel speakersTone control subwoofer schematic diagram Subwoofer amplifier circuit tda2030Preamp1 – buildaudioamps.

Electro help: jbl sub-10 sub-wooferCircuit tone control audio balance diagram circuits simple transistor db wiring cut boost single Subwoofer regulatedSkema rangkaian tone control ic 4558 rangkaian tone control mono ic.

Tone Control + Subwoofer Filter - Electronic Circuit

Bass treble tone control circuit using opamp

4 ohm dual voice coil subwoofer wiring diagramSubwoofer amplifier circuit Subwoofer amplifier circuit diagram downloadWiring dual voice coil subwoofer.

.

DIY Power Amplifier Project 600W BTL + Tone Subwoofer - Electronic Circuit
Wiring Dual Voice Coil Subwoofer

Wiring Dual Voice Coil Subwoofer

Subwoofer amplifier

Subwoofer amplifier

LM1036-LM1035 Dual DC tone control circuit with PCB | ElecCircuit.com

LM1036-LM1035 Dual DC tone control circuit with PCB | ElecCircuit.com

Bass Treble Tone Control Circuit using opamp | Audio Tone Control

Bass Treble Tone Control Circuit using opamp | Audio Tone Control

TONE CONTROL AND SUBWOOFER OUT under Audio Tone Balance Circuits -7107

TONE CONTROL AND SUBWOOFER OUT under Audio Tone Balance Circuits -7107

Wiring Diagram for 4 Ohm DVC Subs

Wiring Diagram for 4 Ohm DVC Subs

← Tone Control Circuit Schematic Tone Control Circuit Using Ic Tone Generator Electrical Wiring Tone Generator Circuit Diag →